Oppimisympäristöt
Perusrunko
Perusrunkoon tehdään kaikki harjoitustyöt. Perusrunko koostuu alumiiniprofiili kehikosta, jossa on keskus. Keskuksessa on PLC ja siihen liittyvät komponentit. Kaikki perusrunkoon kuuluvat tuotteet löytyy kauppa sivulta perusrunko tuotteesta. Harjoitustöissä perusrunkoon lisätään komponentteja. Harjoitustyön valmistuttua keskus palautetaan perusrunkovaiheeseen. Automaatioasennukset kurssilla käydään lävitse perusrungon kasaaminen, kytkennät, mittaukset ja käyttöönotto.
Harjoitus 1:ssä kytketään erilaisin sylintereitä ja venttiileitä. Sylintereitä on 5 kappaletta ja venttiileitä 3 erilaista.

Harjoitus 2:ssa kytketään automaatiojärjestelmään imukuppi ja alipaine-ejektori.

Harjoitus 3:ssa kytketään automaatiojärjestelmään männänvarreton mekaaninen sylinteri ja sitä ohjataan magneettiventtiilillä. Lisäksi on induktiivinen raja, jonka avulla pysäytetetään liukuva osa keskelle sylinteriä.

Harjoitus 4:ssä kytketään pneumaattinen kääntölaite ja sitä ohjataan molempiin suuntiin magneettiventtiilillä.

Harjoitus 5:ssä ohjataan kompressoria ja mitataan paine. Lisäksi kytkennässä on painekytkin.

Harjoitus 6:ssa kytketään sylinteriin kaksi rajaa ja säädetään sylinterin nopeutta.

Harjoitus 7:ssä kytketään paineensäädin ja kokeillaan paineen vaikutusta sylinterin nostokykyyn.

Harjoitus 8:ssa kytketään pneumaattinen tarttuja, jolla voidaan ottaa kappaleista kiinni.

Harjoitus 9:ssä kytketään paineilmaohjattu on/off palloventtiili ja sitä ohjataan kiinni ja auki asentoon.

Harjoitus 10:ssä kytketään paineilmamoottori (paineilmaporakone) ja sitä ohjataan päälle/pois magneettiventtiilillä.
Pneumatiikan harjoitusympäristössä kytketään peruskomponentteja perusrunkoon. Harjoitustöitä on 10 kappaletta. Ympäristön komponentit, sekä harjoitukset voi osaa verkkokaupasta kevään/kesän 2026 aikana. Sähkökuvat ja työohjeet myydään verkkokaupassa erikseen ja ne on opiskelijakohtaiset. Jokainen opiskelija tarvitsee oman lisenssin kuviin. Kuvat ja ohjeet löytyy opiskelijalle verkkokurssilta pneumatiikka.
Pneumatiikka
Prosessiautomaatio
Prosessiautomaatiossa on 15 harjoitusta. Harjoitukset ovat monipuolisia ja sisältävät prosessiteollisuuden automaatioasennuksissa/suunnittelussa tarvittavia taitoja. Ympäristön komponentit ja tehtävät voi osaa verkkokaupasta kevään/kesän 2026 aikana. Sähkökuvat ja työohjeet myydään verkkokaupassa erikseen ja ne on opiskelijakohtaiset. Jokainen opiskelija tarvitsee oman lisenssin kuviin. Kuvat ja ohjeet löytyy opiskelijalle verkkokurssilta prosessiautomaatio.

Harjoitus 1:ssä kytketään 3 erilaista venttiiliä ja tutkitaan niiden toimintaa. Venttiilit: Säätäventtiili, on/off moottoriventtiili ja
on/off venttiili paineilmaohjattu.

Harjoitus 2:ssa on pumpun ohjaus suorakäytöllä. Työssä on kaksi säiliötä, pumppu ja venttiili. Vettä pumpataan alasäiliöstä yläsäiliöön. Yläsäiliön alapuolella on venttiili, jolla voidaan veden paluu alasäiliöön estää. Yläsäiliössä on kapasitiivinen anturi pysäyttämässä pumppu, kun vesi nousee säiliön ylärajalle. Harjoitus 2 osia käytetään harjoituksissa 3-5.


Harjoitus 3:ssa on yläsäiliössä pintakytkin, jonka avulla saadaan tieto onko säiliö tyhjä tai täynnä.

Harjoitus 4:ssä on kolme säiliötä. Alasäiliö on varastosäiliö, josta voidaan pumpata molempiin yläsäiliöihin. Pneumaattisilla on/off venttiileillä voidaan valita kumpaan säiliöön pumpataan. Molempien venttiileiden ollessa kiinni, paine nousee ja paineanturi pysäyttää pumpun. Yläsäiliöissä on ylärajat ja alasäiliössä alaraja, nämä pysäyttävät pumpun. Yläsäiliöt tyhjennetään käsiventtiileillä.

Harjoitus 5:ssä mitataan ylä- ja alasäiliön pinnankorkeutta. Yläsäiliössä on sauva mallinen anturi, joka koskettaa nestettä. Alasäiliössä pinnankorkeus mitataan ultraäänellä, eli nesteeseen ei tarvitse anturin koskea.

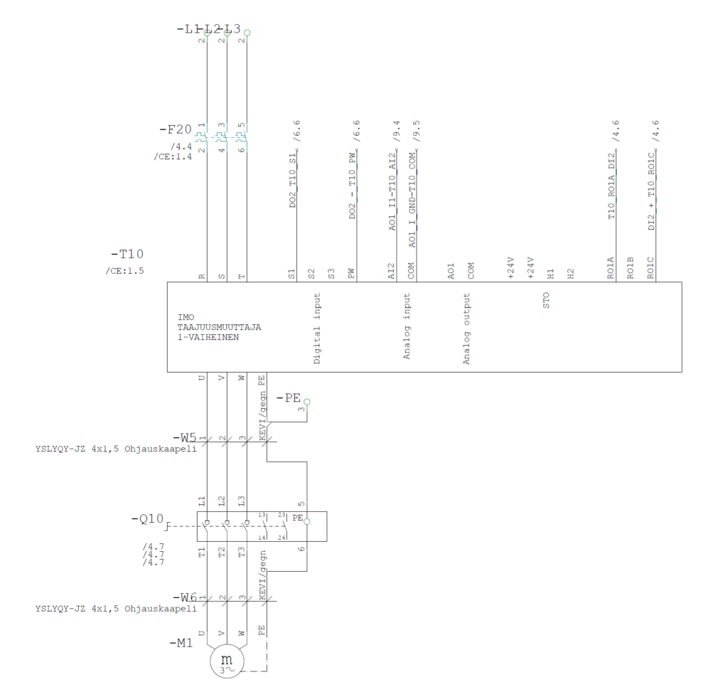
Harjoitus 6:ssa kytketään taajuusmuuttaja, joka ohjaa pumppua. Pumpun nopeutta voidaan säätää logiikan visualisoinnista. Tämän harjoituksen osia käytetään harjoituksissa 7-11.

Harjoitus 7:ssä kytketään yläsäiliöön johdosta roikkuva pinnankorkeusanturi. Lisäksi kytketään valomajakka, jossa on kolme valoa. Vihreä tarkoittaa, että säiliö on lähes täynnä. Keltainen vajaata säiliötä ja punainen, että säiliö on tyhjä.

Harjoitus 8:ssa mitataan yläsäiliöön tulevaa virtausta. Virtausta voidaan säätää taajuusmuuttajalla, venttiilin ollessa kokonaan auki. Venttiilillä voidaan säätää virtausta taajuusmuuttajan ollessa 70% täydestä nopeudesta.
Harjoitus 9:ssä sekoitetaan alasäiliön ja pikkusäiliön nesteet. Alasäiliöstä päästetään tietty määrä nestettä keskisäiliöön. Yläsäiliöstä päästetään kaikki neste keskisäiliöön ja nesteet sekoitetaan sekoittimella.

Harjoitus 10:ssä säädetään yläsäiliön pinnankorkeutta säätöventtiilillä tai pumpulla. Pinnakorkeuden säätö tehdään logiikassa PI säätönä. Pinnankorkeus mitataan yläsäiliöstä alareunassa olevalla paineanturilla. Yllä olevasta kuvasta poiketen virtausta ei mitata (Virtausanturi ei kuulu harjoitustyöhön).

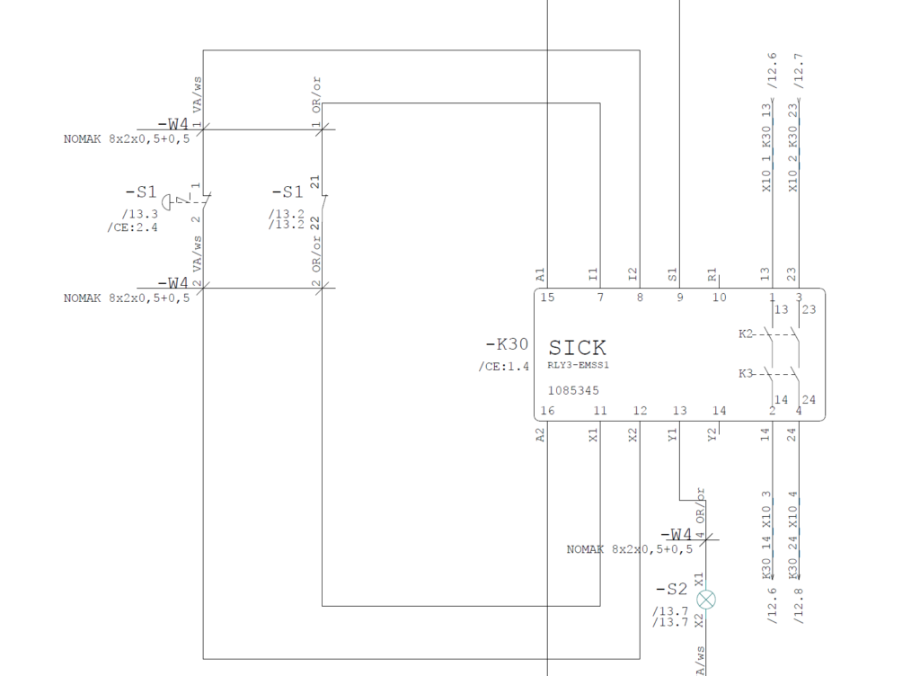
Harjoitus 11:sta kytketään järjestelmään hätäseispiiri. Hätäseis-painikkeella voidaan pysäyttää pumppu.

Harjoitus 12:sta mitataan säiliön ylä- ja alalämpötilaa. Lämpötilanturien lähettimet ohjelmoidaan hart- väylän avulla haluttuun mittausalueeseen.
Harjoitus 13:sta kytketään harjoitus 12:sta lämmitin. Lämmitintä ohjataan logiikan visualisoinnista. Lämmittimessä on pumppu itsessään.
Harjoitus 14:sta kytketään erillinen kenttäkotelo, jossa on hajautettua I/O:ta. I/O:ta ohjataan Ethercat-väylän yli. I/O:hon on kytketty kaksi painiketta ja kaksi merkkivaloa.
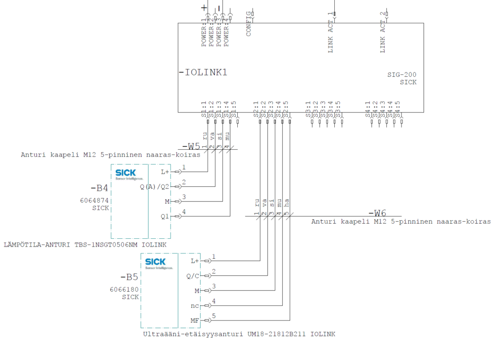
Harjoitus 15:sta kytketään IO-link hajautin logiikkaan Profinet-väylällä. IO link laitteeseen on kytketty lämpötila-anturi ja ultraäänianturi. Antureiden mittaustiedot siirretään logiikalle ja skaalataan näyttämään oikeata arvoa.